• 产品详情

      气动沟槽碟阀

      气动沟槽碟阀 气动蝶阀

      概述:

         D681X气动沟槽碟阀是采用国外先进技术及本公司多次改进设计。以碳钢为主要材质,阀体采用厚壁无缝管焊接而成,阀板为球墨铸铁,质量可靠,比铸铁更为坚固耐用,外观更加美观,而且价格更优,又具备与管件连接所希求的快捷性,可广泛应用于给排水、消防、石油、化工、医药、钢铁等管路上作为截断或调节之用。

      技术参数和性能

      GTD/ATD气动执行机构技术参数 阀   体   参   数
      类   型 双作用活塞式、弹簧复位式 公称通径 DN40~500mm
      气源压力 双作用:2-8bar/单作用:4-8bar 公称压力 PN1.0、1.6MPa
      输出力矩 双作用:4N·M~10560N·M 阀轴材质 铜 碳钢 不锈钢
      单作用:7N·M~2668N·M 阀体材质 球墨铸铁 铜 碳钢 不锈钢
      工作温度 常温型:-20℃~80℃(丁腈橡胶O型圈) 阀板材质 球墨铸铁 QT450 球铁、碳钢、喷涂或不锈钢 铬不锈钢、铜
      高温型:-20℃~160℃(氟橡胶O型圈) 阀座密封 橡胶 乙腈橡胶 乙丙橡胶 氟橡胶 聚四氟塑料
      动作范围 0~90°±5° 结构形式 中线型 、无销型
      接口螺纹 GTD40~GTD83/ATD50~ATD88    G1/8″ 温度 -50℃~250℃
      GTD110~GTD350/ATD100~200   G1/4″ 适用介质 水、水蒸汽、油品、空气 水、水蒸汽 水、水蒸汽、油品、空气 硝酸类
      阀位信号 定位器:4~20mA/回信器:全开全关信号 特点 用途广、整体造价低、流量大、流阻小
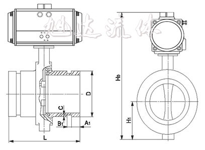
      外形尺寸
      公称通径DN A1 B1 C D H1 执行器型号
      压力 1.0/1.6 1.0/1.6 1.0/1.6 1.0/1.6 1.0/1.6 (仅供参考)
      50 14.5 9.5 2.2 57/60 60 50
      65 14.5 9.5 2.2 78 46 50
      80 14.5 9.5 2.2 89 46 50
      100 16 9.5 2.2 108/114 52 65
      125 16 9.5 2.2 133/140 56 85
      150 16 9.5 2.2 159/165/168 56 85
      200 19 13 2.5 219 60 95
      250 19 13 2.5 273 68 110
      300 19 13 3.3 325 78 125
      350 25 13 3.3 377 78 160
      400 25 13 5.5 426 102 160
      订货说明

      1、气动执行器类型:双作用、单作用

      2、介质类型、温度、压力

      3、所需附件:电磁阀、定位器、信号反馈、气源处理三联件、手动机构

      产品订购

      产品名称:*

      产品规格:*

      产品数量:*

      您的姓名:*

      您的地址:

      您的电话:*

      E-mail:*

      详细内容:*

      验证码:* (*请输入计算结果)

    Copyright ©2006-2026 Xuda Fluid all rights reserved 苏ICP备16042488号